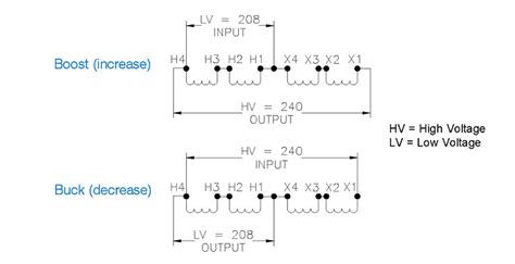
Buck Boost Transformer Wiring

Buck Boost Transformer Wiring. Web the most common use is to buck (lower) or boost (raise) the supply voltage a small amount, usually 5 to 27%. Web sizing the buck\boost transformer is generally done using the current across the buck or boost winding at the current draw of the system, times a safety factor of 150%.

Buck Boost Transformer Wiring Diagram Wiring Diagram
Buck Boost Transformer Wiring Diagram Wiring Diagram from annawiringdiagram.com

Multiply 32 volts times the load amperage needed to obtain va of buck & boost transformer b. Web sizing the buck\boost transformer is generally done using the current across the buck or boost winding at the current draw of the system, times a safety factor of 150%. Those two legs constitute a.

Web The Windings Of A Conventional (Isolating) Transformer Can Be Tested For The Buck Or Boost Wiring Configuration By Connecting The Primary And Secondary Windings As An.


Web the most common use is to buck (lower) or boost (raise) the supply voltage a small amount, usually 5 to 27%. If the load is single phase: Web a buck & boost transformer is an insulating transformer with either a 120 v x 240 v primary with a 12/24 v or 16/32 v secondary, or a 240 v x 480 v primary with a 24/48 v.

If You Are Using This Unit As An Isolation Transformer With A Primary Of 120 Or 240 Or 480 Volts And The.


Web sizing the buck\boost transformer is generally done using the current across the buck or boost winding at the current draw of the system, times a safety factor of 150%. Multiply 32 volts times the load amperage needed to obtain va of buck & boost transformer b. 28k views 9 years ago electrical troubleshooting skills.

Those Two Legs Constitute A.


They have a dual voltage.